Groupes hydrauliques

Afin d'obtenir les températures et débits théoriquement calculés, les groupes hydrauliques ESBE traduisent l'intention théorique en résultat pratique. Facile à fixer au mur ou à placer sur un collecteur ces groupes sont conçus pour s’adapter à toutes les situaions de 0 à 30 kW (si delta T 10°).

En version . . A111 : équipé d’une pompe modulante WILO 25-60 YONOS PARA RKA avec réglage selon le type de circuit. Soit en pression variable pour des radiateurs ou en pression constante pour plancher chauffant & ballon ECS. De plus, une position pour la purge de l’air est prévue.

En version . . F111 : sans pompe afin d'y placer la pompe désirée en longueur 180.

Groupes prémontés aux encombrements identiques : hauteur 40 et largeur 25,4cm. Avec entrées en 1'' 1/2 et sorties en 1'', deux vannes d'arrêt intégrant des thermomètres, un clapet anti-retour et une coque d'isolation très performante. L’avantage de ce groupe est sa vanne progressive brevetée : même en modifiant la répartition du mélange départ & retour, le débit reste constant. Aussi disponibles en sorties 1''1/4 avec pompe 25/7.5.

GDA111

Groupe direct en 1'' équipé d'un WILO 25-60 YONOS PARA en version RKA. Débit : 3,2m3/h.
Pompe de rechange disponible:
GSP901

GRA111

Groupe mélangé en 1'' équipé d'une v3v avec moteur ARA661 et d'un WILO 25-60 YONOS PARA en version RKA.
Débit : 2,8m3/h.

GDF111

Groupe direct en 1''. A équiper d'une pompe en longueur 180.

GRF121

Groupe mélangé en 1'' équipé d'une v3v avec moteur ARA661. A équiper d'une pompe en longueur 180.

De stock

ART  
ESBE61000100 GDA111 GROUPE DIRECT DN25 + WILO YONOS 25-6
ESBE61040100 GRA111 GROUPE MEL V3V MOTOR DN25 + WILO YONOS 26-6
ESBE6104010X GXA111 GROUPE MEL V3V MOT REGUL DN25 + YONOS 25-6
ESBE67000100 GSP901 POMPE YONOS PARA 25/6 RKA POUR GDA GRA GXA
ESBE61200100 GDF111 GROUPE DIRECT DN25 SANS POMPE 180
ESBE61241100 GRF121 GROUPE MEL V3V + MOTEUR SANS POMPE 180

LMA : Lieki Manifold

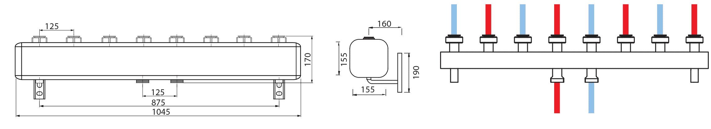
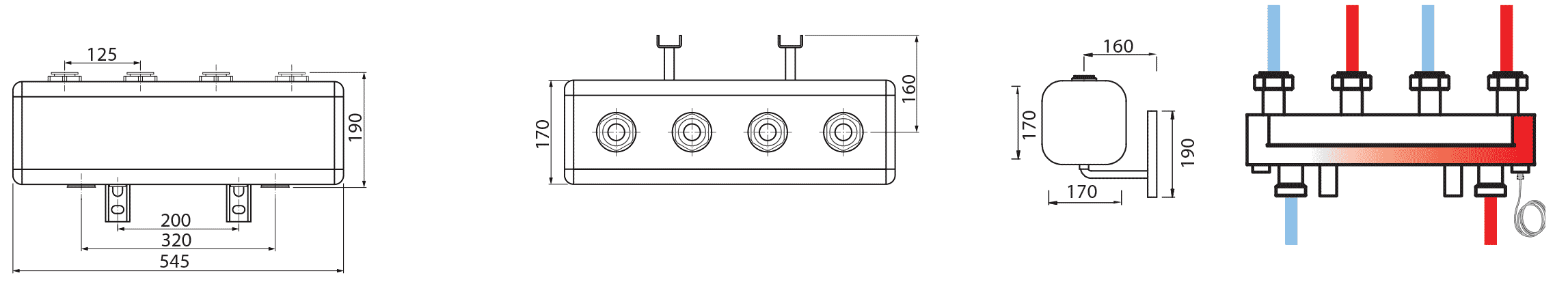
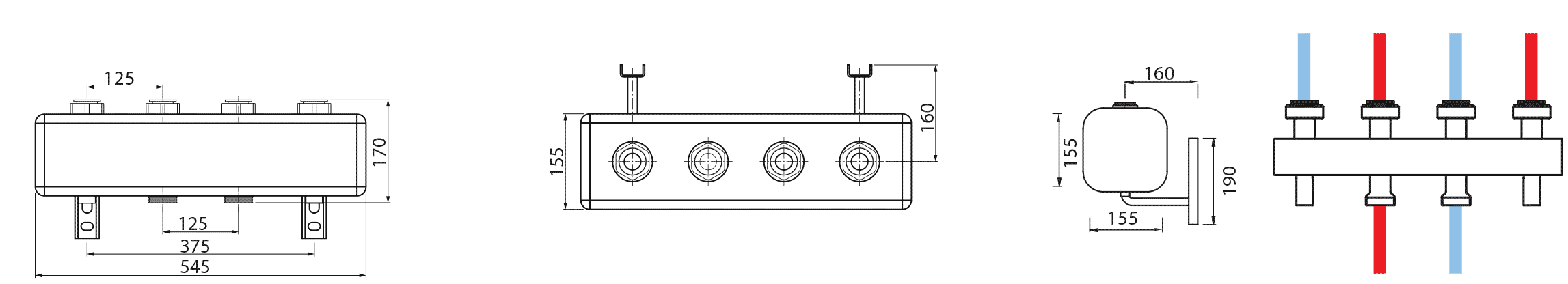
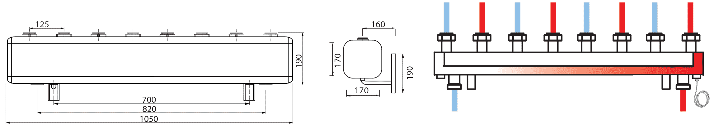
Les collecteurs de la série LMA sont composés de tuyaux rectangulaires. Les chambres départ et retour sont séparées par une paroi sinusoïdale testée à haute pression. Départs en 1'' 1/2 F avec écartement 125 : compatibles avec les groupes ESBE : GDA GRA GDF GRF.

TOP qualité

Très haute qualité de finition, la gamme de collecteurs LMA est réalisée en acier noir S235 : 2,5mm d'épaisseur. Avec isolation de 35mm d’épaisseur, joints plats et fixations murales pour la série LMA100. Fixations sol ou murales séparées pour la série LMA400.





4 gammes : direct ou hydromix en 3 ou 6,5m³/h

Les LMA de série 100 ont des raccords chaudière en 1'' 1/2 M : 3m³/ h. Les séries 400 ont des raccords chaudière en 2’' M : 6,5m³/ h : 150kW ΔT20°.

Les collecteurs de la série LMA sont disponibles en versions direct ou hydromix.

Les collecteurs directs existent pour 2 à 6 circuits de chauffage : série LMA110 en 3m³/ h et série LMA410 en 6,5m³/ h.

Les collecteurs hydromix sont équipés d’un séparateur hydraulique soudé sous les deux chambres : départ et retour. Ceci casse la pression entre circuits et maitient la chaudière toujours irriguée. Avec 2 emplacements pour sonde : à droite à l’arrivée chaudière et à gauche : à la sortie du collecteur.Collecteurs Hydromix disponibles pour 2 à 4 cicuits de chauffage : série LMA120 en 3m³/ h et série LMA420 en 6,5m³/ h.

Fixations

Collecteurs LMA100 avec fixations murales comprises. Fixation sol ou murale séparée des séries 400.

HYDROMIX

1 & 2 = départ & retour. 3 = séparateur hydraulique casse pression avec 2 emplacements pour sonde.

PERFORMANCE

Isolation PPE de 35mm. Raccords arrivée : 1'' 1/2M, raccords sortie : 1'' 1/2F écrou mobile + joint plat.

COMPATIBLE

LMA : compatible avec les groupes aux raccords 1'' 1/2 M écartement 125 tels que les ESBE : GDA, GRA, GDF et GRF.





LMA112 & LMA412

LMA113 & LMA413

LMA114 & LMA414

LMA115 & LMA415

LMA116 & LMA416

LMA122 & LMA422

LMA123 & LMA423

LMA124 & LMA424

De stock, sauf * = sur commande

ART  
LIEKI100112 LMA112 COLLECTEUR DIRECT 1''1/2 - 2 CIRC F1''1/2 - 3m³h 70kW
LIEKI100113 LMA112 COLLECTEUR DIRECT 1''1/2 - 3 CIRC F1''1/2 - 3m³h 70kW
LIEKI100114 LMA112 COLLECTEUR DIRECT 1''1/2 - 4 CIRC F1''1/2 - 3m³h 70kW
LIEKI100115* LMA112 COLLECTEUR DIRECT 1''1/2 - 5 CIRC F1''1/2 - 3m³h 70kW *
LIEKI100116* LMA112 COLLECTEUR DIRECT 1''1/2 - 6 CIRC F1''1/2 - 3m³h 70kW *
LIEKI100122 LMA122 COLLECTEUR HYDROMIX 1''1/2 - 2 CIRC F1''1/2 - 3m³h 70kW
LIEKI100123 LMA122 COLLECTEUR HYDROMIX 1''1/2 - 3 CIRC F1''1/2 - 3m³h 70kW
LIEKI100124 LMA122 COLLECTEUR HYDROMIX 1''1/2 - 4 CIRC F1''1/2 - 3m³h 70kW
SUR CDE* LMA SERIE 400 SUR COMMANDE : DETAIL VOIR TARIF

Téléchargements