BIOSTAR : chaudière aux pellets : 15 - 23 & 33 kW




basse t° = basse consommation.

La Biostar convient aux maisons individuelles et aux bâtiments qui consomment de 3.5 à 13 tonnes de pellets/an.







Biostar : basse t° = basse consommation

Brevetée chaudière modulante basse température, la Biostar est entièrement automatique et réagit selon les demandes de chauffage de l’utilisateur. En fonction de la t° désirée dans la maison et de la t° extérieure, la chaudière adapte sa puissance ainsi que sa t° de fonctionnement : avec un minimum de 38°... Ce fonctionnement à basse t° permet 15% d’économie d’énergie.

La Biostar n'a pas besoin de tampon : elle est conçue pour moduler de 38° à 80° et 30% à 100% de puissance. A tous les régime de fonctionnement la qualité de combustion est optimale et contrôlée par sonde lambda.

La Biostar est neutre en CO2 et préserve le climat. Elle convient aux maisons individuelles et aux bâtiments qui consomment de 3 à 13 tonnes de pellets/an.

Efficace

L'utilisateur détermine son chauffage : horaire et t°, puis la chaudière s'adapte. Une commande simplifiée est placée dans la maison.

Régulation complète

Gestion de l'installation : 1 circuit direct, 2 mélangés, ECS, pompe bouclage et v3v retour. Extensible à 9 circuits. Chaudière modulante : pas besoin de tampon.

Gestion à distance

Par internet, gestion de l'installation via ordinateur et/ou APP sur smartphone. Consultation : infos t°, quand vider les cendres, etc. Notification si défaut.




Brûleur réfractaire

Chambre de combustion en carbure de silicium. Ce réfractaire résistant est adapté aux hautes & basses t° : ceci participe au maintien d'une combustion parfaite à toutes les puissances. Sortie brûleur à effet venturi pour séparer les particules.

Modulation avec maintien du rendement à 94%

Large plage de modulation pour s'adapter à la puissance nécessaire et à la température désirée. La sonde lambda analyse et adapte les paramètres pour maintenir une bonne combustion.

échangeur performant

Echangeur à contre courant : fumées de bas en haut et hydraulique de haut en bas : pour un meilleur échange, plus d'efficacité et la maîtrise de la t° départ : modulation de 38° à 80°.

aspiration 25m

Transport pneumatique des pellets avec réglage du débit. 25m entre chaudière et réserve : sans dégât ni bourrage du combustible.

nettoyage

Automatique du bois jusqu'aux cendres, la chaudière nettoie l'échangeur et la base de la chambre de combustion.

cendrier

La régulation décompte et avertit quand les cendriers doivent être vidés : après +/- 1800 kg de pellets brûlés. Cendriers très accèssibles derrière la porte foyère.




Qualité

La chaudière est composée de matériaux nobles. La production, l'assemblage et la finition sont contrôlés et répondent à de très hautes exigences.

Fiabilité

Les composants électroniques et électriques sont communs à toutes les chaudières GUNTAMATIC. Ceci assure un très haut niveau de fiabilité.

Longévité

Les moteurs et ventilateurs sont dimensionnés pour une durée de vie de plus de 20 ans : avec réserve de couple très élevée.




Réserves pellets


Quel volume prévoir ?

Une chaudière fonctionne l'équivalent de 1500 à 2000 heures / an : à pleine puissance. Pour les nouveaux bâtiments ou les installations existantes, on peut déterminer le volume de pellets consommé /an. Idéalement, la réserve de pellets devrait être remplie une à deux fois par an.

Comment transporter les pellets ?

Les pellets doivent être acheminés de la réserve jusqu'au silo journalier de la chaudière. Pour atteindre la meilleure fiabilité, GUNTAMATIC a opté pour un un système pneumatique combiné à une vis. Ainsi GUNTAMATIC gère la vitesse de la vis dans la réserve et peut donc maîtriser le débit de transfert des pellets dans le système d'aspiration.

Dans une plage horaire déterminée, la chaudière aspire des pellets une fois par jour. Grâce à la gestion du débit, la distance entre la chaudière et sa réserve peut aller jusqu'à 25 mètres : sans dégât ni bourrage.




Biostar + box


Le box est une solution très confortable et simple à mettre en place. Il repose sur une structure et un fond métallique. Une toile en partie supérieure est fixée à cette structure.

La hauteur est ajustable, avec plusieurs hauteurs entre 180 & 250 cm de haut. La quantité de pellets stockée dépend du modèle de box, de la hauteur réglée et du type des pellets.

Box 5,2 M3 : 170x170 Hauteur réglable de 180 à 250 de 2,0 à 3,4 tonnes
Box 7,5 M3 : 210x210 Hauteur réglable de 180 à 250 de 3,0 à 4,7 tonnes
Box 8,3 M3 : 170x290 Hauteur réglable de 180 à 250 de 4,0 à 5,4 tonnes
Box 11 M3 : 250x250 Hauteur réglable de 180 à 250 de 5,0 à 6,7 tonnes
Box 14 M3 : 290x290 Hauteur réglable de 190 à 250 de 6,5 à 9,1 tonnes

Pour augmenter le volume de stockage ou quand il n'y pas place pour un grand box, il est possible de placer 2 silobox avec un commutateur manuel pour passer de l'un à l'autre.

N. B. le box n'est pas étanche. Il ne peut pas être en contact avec la pluie.


Biostar + minibox

Quand le volume pour accueillir un "grand box" n'est pas encore disponible, le minibox permet de patienter.

Avec des dimensions compactes : 70*70 H120 pour une contenace de 250 kg, ce minibox est fixé sur le même dessileur noir que le "grand" box. Ceci permet les mêmes possibilités avec l'aspiration chaudière. Ultérieurement, le minibox pourra être démonté du dessileur et être remplacé par un box de grande capacité.

Le minibox a été conçu pour un remplissage manuel au sac. Une grille permet d'y déposer le sac fermé : sans renverser... Ensuite le sac peut être ouvert et les pellets se déversent. Un couvercle de finition protège l'entrée de corps étrangers, mais empèche aussi la propogation de fines poussières de bois lors du transfert des pellets par pneumatique.

N. B. le minibox n'est pas étanche. Il ne peut pas être en contact avec la pluie.




Biostar + Flex

Avec une vis centrale et 2 plans inclinés, une réserve "flex" est construite au départ d'une pièce existante ou avec des cloisons. Cette solution est conseillée quand on veut adapter la réserve de pellets au volume disponible.

Cette réserve "en dur" est aussi la meilleure solution pour les très grandes capacités. Cette réserve demandera plus de travail pour sa réalisation, mais sera à l'avenir la solution qui traversera au mieux le temps.

Option : 1 aspiration 2 vis.
Pour augmenter son volume de pellets et donc diminuer la perte de place des plans inclinés, on peut placer 2 vis par chaudière. Un commutateur à commande manuelle bascule l'aspiration d'une vis à l'autre.

Vis Flex


La vis flex est disponible en longueurs de 100, 150, 200, 250, 300, 350, 400, 450 et 500 cm. Attention, cette mesure donne la partie ouverte de la structure : là où la vis est visible. Forcément, la longueur disponible à l'intérieure de la réserve doit être supérieure à cette mesure.



La vis est assemblée avec 4 types d'éléments :
- un support final avec roulement et couvercle de protection.
- des éléments ouverts de 100 ou 150 cm avec gorges pour panneaux inclinés
- un élément fermé pour le passage mural, avec moteur et trappe de visite

En combinant ces éléments, il est possible de passer dans de petits espaces et d'assembler une longue vis.

accessoires remplissage silo



Biostar chaudière aux pellets

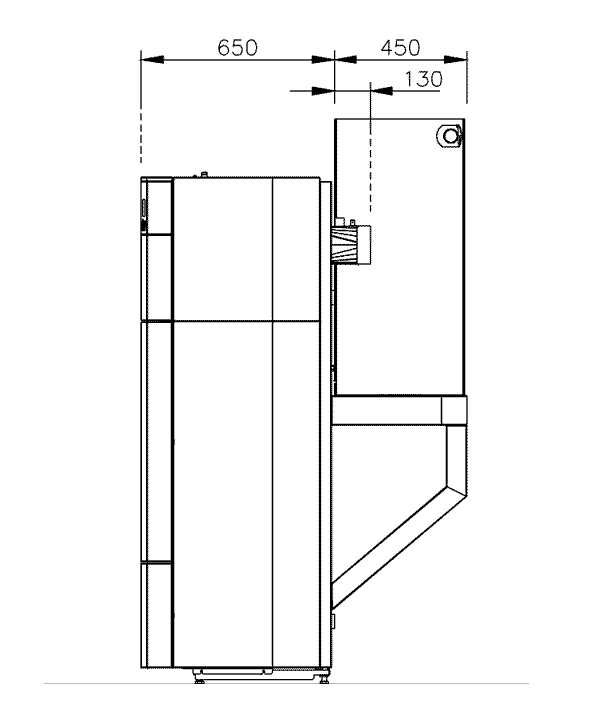
BIOSTAR 15 23  
Classe d'efficacité énergétique A+ A+  
Combustible A1 A1 ENplus
Puissance nominale 15 23 kW
Puissance minimale 3,5 6,9 kW
Plage de t° chaudière 38 à 80 38 à 80 °C
Volume d'eau 30 30 litre
Pression de service max. 3 3 bar
Départ retour 1'' 1'' Ø pouce
Débit pompe bouclage 1285 1970 lit / h
Besoin de tirage de cheminée 0,10 0,15 mbar
Tube de fumée 130 130 Ø mm
Ventillation chaufferie min. 100 100 cm²
Capacité silo journalier 70 70 lit
Longueur aspiration max. 25 25 m
Cendrier 38 38 lit
Largeur de passage sans démonter 78 78 cm
Largeur de passage sans silo 70 70 cm
Hauteur local min. 200 200 cm
H min. avec option rabaissée 180 180 cm
Poids de transport env. 298 305 kg
Raccordement électrique 230 / 13 230 / 13 V / A

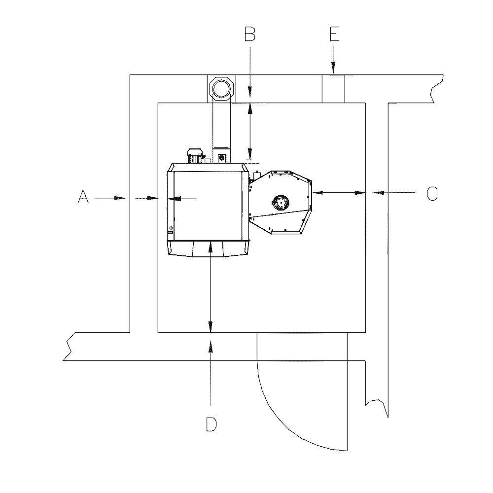
Biostar 15-23





A : distance à gauche :60 cm
Mini : 5 cm
Si mini, alors 60 cm à droite

B : distance à l’arrière : 70 cm
Mini : 50 cm

C : distance à droite : 60 cm
Mini : 25 cm
Si mini, alors 60 cm à gauche

D : distance à l’avant : 100 cm
Mini : 70 cm

E : ventilation : min 100 cm²

HSP : idéale 220 cm, mini 185 cm

Biostar 33 chaudière aux pellets

BIOSTAR 33 33  
Classe d'efficacité énergétique A+  
Combustible A1 ENplus
Puissance nominale 33 kW
Puissance minimale 10 kW
Plage de t° chaudière 38 à 80 °C
Volume d'eau 90 litre
Pression de service max. 3 bar
Départ retour 5/4'' Ø pouce
Débit pompe bouclage 2910 lit / h
Besoin de tirage de cheminée 0,10 mbar
Tube de fumée 130 Ø mm
Ventillation chaufferie min. 150 cm²
Capacité silo journalier 100 lit
Longuer aspiration max. 25 m
Cendrier 48 lit
Largeur de passage idéale 75 cm
Largeur de passage sans jaquette 70 cm
Hauteur local min. 200 cm
Poids de transport env. 395 kg
Raccordement électrique 230 / 13 V / A

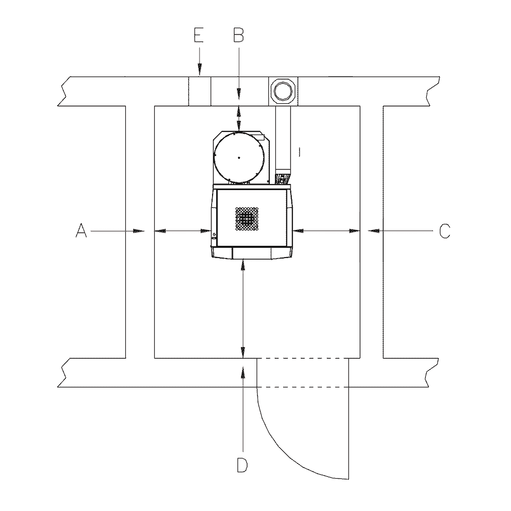
Biostar 33





A : distance à gauche : 50 cm
Mini : 15 cm
Si mini, alors plus de 50 cm à droite et 25 cm à l'arrière

B : distance à l’arrière : 25 cm
Mini : 0 cm
Si mini,alors plus de 50 cm à gauche

C : distance à droite : 50 cm
Mini : 0 cm
Si mini,alors plus de 50 cm à gauche et 25 cm à l'arrière

D : distance à l’avant : 100 cm
Mini : 80 cm

E : ventilation : min 150 cm²

HSP : idéale 220 cm, mini 200 cm

Téléchargements