BMK : chaudière à bois bûche : 20-30-40 & 50 kW




Performances + robustesse = chaudière hors-norme...

De 20 à 50 kW, la BMK convient à toutes les maisons individuelles et aux bâtiments jumelés.







BMK : top qualité = top performances

Avec 50 ans d'expérience dans la conception de chaudières bûche, GUNTAMATC signe ici une chaudière d'exception...

Construite pour durer, la BMK a un grand volume de chargement en inox renforcé combiné à un brûleur réfractaire cyclonique. La combustion est parfaite et gérée par sonde lambda : rendement 91,9% à 94,4%. Les flammes sortent du foyer par tirage forcé et tournoient dans le tunnel de gazéification : pour mieux monter en température tout en diminuant les particules fines.

Très pratique avec une haute porte de chargement des bûches de 50 cm, le nettoyage des carneaux, la maintenance par l'avant, un allumage automatique ainsi qu'une régulation pour piloter toute l'installation chauffage plus une seconde chaudière.

La BMK est neutre en CO2 et préserve le climat. Elle convient aux maisons individuelles et aux bâtiments jumelés.

Accès faciles

De larges portes pour des manipulations faciles : charge de bois, nettoyage et maintenance sont effectuées par l'avant.

Grand volume

Plus une chaudière accueille un grand volume de bois, plus la production d'énergie sera importante. 20/30kW : 166 lit & 40/50kW : 215 lit : bûche 50 cm.

foyer inox

Foyer avec double enveloppe inox : pour atteindre et résister à une température supérieure à 1.000°C au coeur du lit de braises.




Brûleur réfractaire

Matériaux réfractaires pour atteindre et résister à une température supérieure à 1.400°C : assurant ainsi une qualité de combustion unique.

Parfaite combustion

Gestion de l'air de combustion avec 2 niveaux de réglage et préchauffage de l'air secondaire. Répartition optimale de l'air selon la phase de combustion.

Gazéification & cyclone

Chambre de combustion "rotative" avec injection d'air secondaire. Les gaz atteignent 1400° et le cyclone sépare efficacement les poussières.




Contôle lambda

Sonde Lambda 2.0 : pour analyser puis répartir l'air de combustion avec 2 niveaux de réglage : primaire et secondaire.

Echange & nettoyage

Echangeur surdimensionné pour extraire le plus d'énergie des gaz de fumée. Système mécanique de nettoyage pour maintenir la qualité de l'échange.

allumage automatique

La BMK est chargée à froid : entre deux feux. Elle s'allumera plus tard : quand ce sera nécessaire.




Efficace

L'utilisateur détermine son chauffage : horaire et t°, puis l'installation s'adapte. Une commande simplifiée est placée dans la maison.

Régulation complète

Gestion de l'installation : 1 circuit direct, 2 mélangés, ECS, ballon tampon, pompe recyclage avec v3v retour ainsi qu'une relève par une chaudière automatique.

Gestion à distance

Par internet, gestion de l'installation via ordinateur et/ou APP sur smartphone. Consultation des températures. Notification si défaut.




Qualité

La chaudière est composée de matériaux nobles. La production, l'assemblage et la finition sont contrôlés et répondent à de très hautes exigences.

Fiabilité

Les composants électroniques et électriques sont communs à toutes les chaudières GUNTAMATIC. Ceci assure un très haut niveau de fiabilité.

Longévité

Les moteurs et ventilateurs sont dimensionnés pour une durée de vie de plus de 20 ans : avec réserve de couple très élevée.





Quel type de bois ?

La BMK peut brûler toutes les essences de bois ! Du bois dur ou du bois tendre. Du feuillu ou du résineux. Il est toutefois important de retenir que le bois doit être suffisament sec : selon l'essence, prévoir 2 à 3 ans de séchage.

Quelle quantité prévoir ?

La question est simple, mais la réponse moins simple...
Selon son essence et son hygrométrie, le bois a un pouvoir calorifique variable déterminé par kilo : +/- 5 kWh/kg si bois anhydre et 3,3 kWh/kg si bois a 25% d'humidité. MAIS, dans nos régions, à la production ou à la vente, on ne parle pas du bois en kilo, on compte le bois en sters.

LE ster

LE ster est une vieille unité d'encombrement, ou de volume = 1M3 de rondins d'1M de long. La quantité de bois dans un ster est variable en fonction du diamètre des rondins. Par exemple, si les rondins ont un diamètre de 23cm, le coéficiant d'empilage est de 65% de bois et 35% d'air. Si le diamètre des rondins varie, l'empilage de bois varie aussi... Pour rendre le tout encore plus compliqué, une fois ces rondins d'un mètre coupés en 33 ou 50cm de long, puis fendus, le volume du ster va encore diminuer.

Pour faire simple, on estime généralement que :

1 ster = 0,75M3 de fendus en longueur de 50cm = 0,66M3 de fendus en 33cm

1 ster de chêne = 480kg de bois = 1.580 kWh**
1 ster d'épicéa = 315kg de bois = 1.040 kWh**
** kWh si 25% d'humidité : sec 2 à 3 ans.



Par an : combien de sters ? Combien de feux ?

Selon le dossier énergétique d'un nouveau bâtiment, ou l'historique d'une maison existante, il est possible de déterminer la consommation annuelle : en kWh/an. Ainsi le nombre de sters, de feux et de charges de bois sont prévisibles.

* Attention : un feu "normal" dure 6 heures. Au delà de 280 feux/an, les jours de très, très grand froid, il est probable que 3 feux/jour soient nécessaires : ce qui est difficile à gérer. Alors, une chaudière d'appoint pourrait, dans ce cas, venir apporter le complément.

Les sters de bois prennent de la place. D'autant plus qu'il est préférable de stocker 2 ans de combustible pour le laisser sécher. Quand le bois est stocké sur 2 mètres de haut : 3 sters s'empilent sur 1M2.



Allumage automatique

Une fois la combustion terminée : la BMK s'arrète. A partir de ce moment, et dans les heures qui suivent, la charge de bois pour le feu suivant peut être effectuée.

Face à l'orifice de l'allumeur, 2 morceaux de bois sont placés en V. Dans leur creux, un peu de pellets ou de copeaux serviront d'allumeur. Le foyer peut alors être complètement chargé de bûches.

Sur l'écran tactile, l'allumage est programmé : la chaudière s'allumera quand ce sera nécéssaire : quand la réserve d'eau ne sera plus assez chaude.






Ballon tampon : volume


Durant ces quelques heures de combustion, la BMK dégage beaucoup d'énergie. Bien plus que ce que le bâtment demande.

Grâce à cela, le surplus d'énergie produit peut être tout d'abord stocké dans des ballons tampon. Ensuite, selon la demande du chauffage, l'énergie stockée sera envoyée dans les circuits.

Le volume tampon à prévoir est variable selon le type de bâtiment et le type de circuits à alimenter. En résumé, le volume peut être ainsi envisagé :
BMK 30 + plancher chauffant : 2500 lit tampon
BMK 30 + radiateurs : 3000 lit tampon
BMK 50 : 4000 lit tampon

Si pas d'allumage automatique : ajouter 500 litres.
Si ECS important : ajouter le volume ECS au volume tampon.





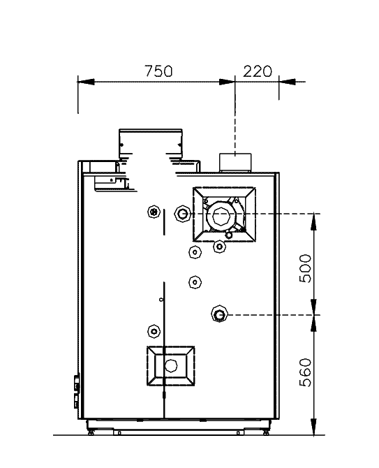
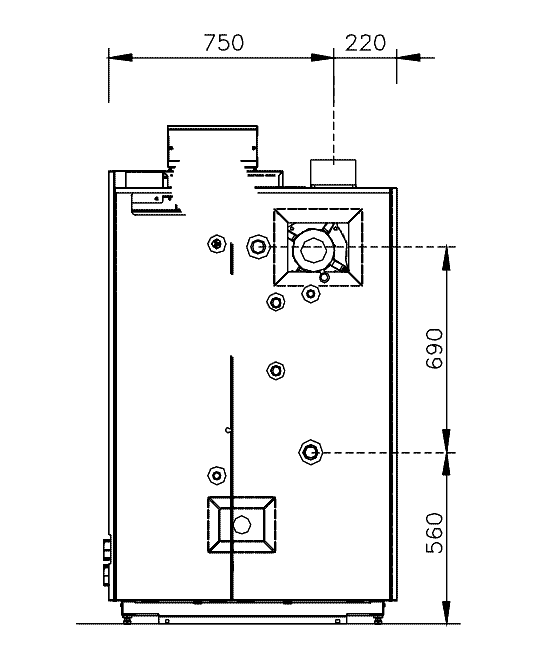
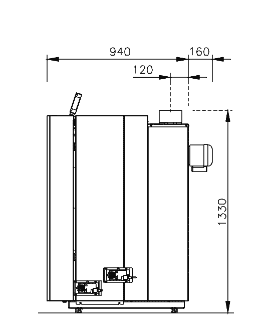
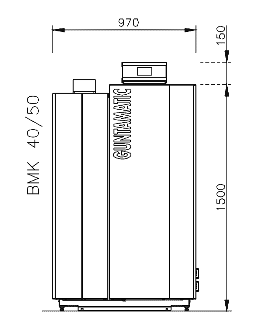
BMK chaudière à bois bûche


BMK 20-30 40-50  
Puissance calorifique 20-30 40-50 kW
Classe d'efficacité énergétique A+ A+  
Longueur bûche 500 500 mm
Volume du compartiment à bois 166 215 litre
Largeur de l'espace de chargement 330 330 mm
Profondeur du foyer de combustion 560 560 mm
Volume d'eau 125 175 litre
Pression de service max. 3 3 bar
Départ retour 5/4'' 5/4'' Ø pouce
Gestion du retour avec V3V V3V  
Si thermostatique t° retour > 55° > 55° °C
Débit min. pompe retour 2.570 4.250 lit / h
Serpentin décharge thermique 3/4'' 3/4'' Ø pouce
Besoin de tirage de cheminée 0,20 0,20 mbar
Tube de fumée 150 150 Ø mm
Ventillation chaufferie min. 400 400 cm²
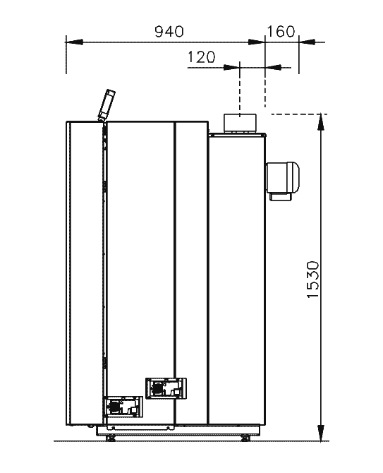
Largeur de passage sans jaquette 85 85 cm
Largeur de passage si démontée 80 80 cm
Hauteur local min. 185 185 cm
Poids de transport env. 630 730 kg
Raccordement électrique 230 / 13 230 / 13 V / A

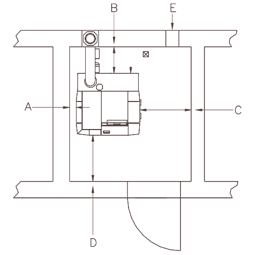
BMK cm






A : distance à gauche : 60 cm
Mini : 20 cm
Si mini, alors 60 cm à droite

B : distance à l’arrière : 60 cm
Mini : 50 cm

C : distance à droite : 60 cm
Mini : 30 cm (déconseillé)
Si mini, alors 60 cm à gauche

D : distance à l’avant : 100 cm
Mini : 70 cm (déconseillé)

E : ventilation : min 400 cm²

Téléchargements